主要尺寸和性能数据
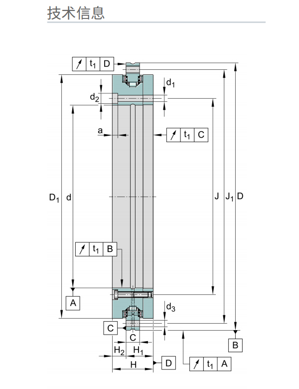
d |
260 mm |
内径 |
0 mm |
螺母直径,上偏差 |
|
-0.018 mm |
螺母直径,下偏差 |
|
D |
385 mm |
外径 |
0 mm |
外径,上偏差 |
|
-0.02 mm |
外径,下偏差 |
|
H |
55 mm |
高度 |
Cr |
110,000 N |
基本额定动载荷, 径向 |
C0r |
305,000 N |
基本额定静载荷,径向 |
Ca |
173,000 N |
基本额定动载荷, 轴向 |
C0a |
1,050,000 N |
基本额定静载荷,轴向 |
nG |
910 1/min |
极限转速 |
≈m |
18.507 kg |
重量 |
安装尺寸
J |
280 mm |
内圈固定孔节圆直径 |
J1 |
365 mm |
外圈固定孔节圆直径 |
d1 |
9.3 mm |
内圈固定孔直径 |
d2 |
15 mm |
固定孔沉孔直径 |
a |
8.2 mm |
固定孔沉孔深度 |
34 |
内圈固定孔数量 |
|
d3 |
9.3 mm |
外圈固定孔直径 |
33 |
外圈固定孔数量 |
|
n |
36 |
节圆量 |
t |
10 ° |
节圆分离角度 |
G |
0 |
螺纹拉拔孔 |
3 |
螺纹拉拔孔数量 |
|
MA |
34 Nm |
锁紧力矩 |
2 |
固定螺钉数量 |
|
t1 |
6 µm |
Axial and radial runout, measurement standard; Measured on mounted bearing, with ideal adjacent construction. |
尺寸
H1 |
36.5 mm |
外圈接触面高度 |
0.05 mm |
Height contact face outerring H1 upper tolerance |
|
-0.07 mm |
Height contact face outerring H1 lower tolerance |
|
H2 |
18.5 mm |
外圈接触面高度 |
D1 max |
347 mm |
内圈最大板直径 |
C |
18 mm |
外圈宽度 |
温度范围
Tmin |
-30 °C |
最低工作温度 |
Tmax |
120 °C |
最高工作温度 |
附加信息
caL |
5,400 N/µm |
轴承定位轴向刚度 |
crL |
1,600 N/µm |
轴承径向刚度 |
ckL |
67,000 Nm/mrad |
轴承定位倾斜刚度 |
caW |
16,800 N/µm |
滚动体组轴向刚度 |
crW |
5,800 N/µm |
滚动体组径向刚度 |
ckW |
201,000 Nm/mrad |
滚动体组倾斜刚度 |
Mm |
1,422 kg*cm2 |
旋转外圈惯性质量矩 |
Mm |
2,074 kg*cm2 |
旋转内圈惯性质量矩 |




